![]()

YBX3防爆电机是对YBX3系列隔爆型三相异步电动机的简称,是在YB3防爆电机的基础上进行改进的防爆电机,相比YB3更加节能,能够取代YB3防爆电机的适用性。效率符合GB18613-2012《中小型三相异步电动机能效限定值及能效等级》中的2级能效,且具有使用安全可靠,振动、噪声比同类产品降的特点,符合环保要求。本系列电动机防爆性能符合GB3836.1-2010《爆炸性环境第1部分:设备通用要求》和GB3836.2-2010《爆炸性环境第2部分:由隔爆外壳“d”保护的设备》的规定,制成隔爆型。防爆标志为Ex dⅡA T4 Gb、Ex dⅡB T4 Gb,Ex dⅡC T4 Gb,适用于有爆炸性气体混合物存在的场所。 Ex dⅡA T4 Gb适用于工厂用IIA类,温度组别为T1、T2、T3和T4组爆炸性气体混合物存在的环境。 Ex dⅡB T4 Gb适用于工厂用IIB类,温度组别为T1、T2、T3和T4组爆炸性气体混合物存在的环境。 Ex d ⅡC T4 Gb 适用于工厂用IIC 类,温度组别为T1、T2、T3 和T4 组爆炸性气体混合物存在的环境。 在YBX3 基本系列电动机基础上,也可制成YBX3-W 户外型、YBX3-TH 湿热带型、YBX3-THW户外湿热带型、YBX3-TA 干热带型、YBX3-TAW 户外干热带型、YBX3-T 热带型、YBX3-TW 户外热带型及YBX3-WF1 户外中等防腐蚀型等气候环境条件。
YBX3防爆电机用作煤矿井下(非采掘工作面)固定式设备或工厂IIB级,温度组别为T1—T4组的可燃性气体或蒸气与空气形成的爆炸性混合物的场所内的机械设备的驱动电机,主要用于煤矿、石油天然、石油化工和化学工业。此外,在纺织、冶金、城市煤气、交通、粮油加工、造纸、医药等部门也被广泛应用。防爆电机作为主要的动力设备,通常用于驱动泵、风机、压缩机、输送机和其他传动机械。
YBX3防爆电机具有节能,温升裕度大,寿命长,性能好,振动小,防爆结构先进,外形美观,可靠性高的优点,运行时不产生电火花。电机的主接线盒位于顶部,还可根据用户要选择测温、轴承测温和加热器。其显著的特点是节能。
II 类 除煤矿外的其他爆炸性气体环境用电气设备。II 类爆炸性气体的特性进一步分类为:IIA、IIB、IIC。II 类常见可燃性气体、蒸气、温度组别见下表 II 类 用于除煤矿以外的爆炸性粉尘环境,III 类再分类:IIIA 类:可燃性飞絮 ; IIIB类:非导电性粉尘;IIIC 类:导电性粉尘;

不同温度组别对应表面最高温度表

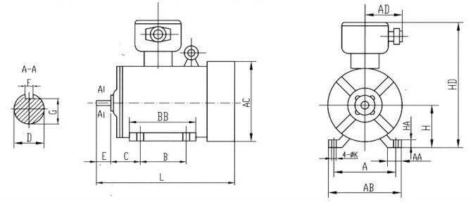
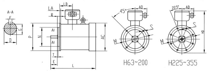
YBX3防爆电机的安装方式符合GB997《电机结构及安装型式代号》及IEC34-7 的规定。本系列电动机有以下5 种基本结构型式:B3—机座带底脚、端盖无凸缘;B5—机座不带底脚、端盖有凸缘;B35—机座带底脚、端盖有凸缘;B14—机座不带底脚、端盖有小凸缘;B34—机座带底脚、端盖有小凸缘。本系列电动机在上述5 种基本结构上,可派生15 种常用结构及安装型式见下表:
|
机座号 |
结构及安装型式代号(IM) |
|
80~112 |
B3、B5、B6、B7、B8、B14、B34、B35、V1、V3、V5、V6、V15、V18、V35 |
|
132~160 |
B3、B5、B6、B7、B8、B35、V1、V3、V5、V6、V15、V35 |
|
180~280 |
B3、B5、B35、V1 |
|
315~355 |
B3、B35、V1 |
|
400~450 |
B3、B35、V1 |
YBX3结构及安装型式示意图



YBX3防爆电机B5安装方式对应图表


|
YBX3系列防爆电机详情参数表 |
|||||||||||||
|
|
|||||||||||||
|
|
|||||||||||||
|
电压:380V |
|||||||||||||
|
|
|||||||||||||
|
|
|
|
|
频率:50Hz |
|
|
|
|
|
|
|
|
|
|
电机型号 |
额定功率 |
额定电流 |
额定转速 |
效率% |
功率因数 |
额定转矩 |
堵转转矩 |
堵转电流 |
最大转矩 |
噪声 db(A) |
重量 |
||
|
同步转速3000r/min |
|||||||||||||
|
YBX3-80M1-2 |
0.75 |
1.7 |
2875 |
80.7 |
0.83 |
2.5 |
2.3 |
6.8 |
2.3 |
67 |
32 |
||
|
YBX3-80M2-2 |
1.1 |
2.4 |
2875 |
82.7 |
0.83 |
3.7 |
2.3 |
7.3 |
2.3 |
67 |
33 |
||
|
YBX3-90S-2 |
1.5 |
3.2 |
2890 |
84.2 |
0.84 |
5.0 |
2.3 |
7.6 |
2.3 |
72 |
39 |
||
|
YBX3-90L-2 |
2.2 |
4.6 |
2890 |
85.9 |
0.85 |
7.3 |
2.3 |
7.8 |
2.3 |
72 |
46 |
||
|
YBX3-100L-2 |
3 |
6.0 |
2891 |
87.1 |
0.87 |
9.9 |
2.3 |
8.1 |
2.3 |
76 |
57 |
||
|
YBX3-112M-2 |
4 |
7.8 |
2914 |
88.1 |
0.88 |
13.1 |
2.3 |
8.3 |
2.3 |
77 |
68 |
||
|
YBX3-132S1-2 |
5.5 |
10.6 |
2937 |
89.2 |
0.88 |
17.9 |
2.2 |
8.0 |
2.3 |
80 |
87 |
||
|
YBX3-132S2-2 |
7.5 |
14.2 |
2940 |
90.1 |
0.89 |
24.4 |
2.2 |
7.8 |
2.3 |
80 |
93 |
||
|
YBX3-160M1-2 |
11 |
20.6 |
2930 |
91.2 |
0.89 |
35.9 |
2.2 |
7.9 |
2.3 |
86 |
136 |
||
|
YBX3-160M2-2 |
15 |
27.9 |
2930 |
91.9 |
0.89 |
48.9 |
2.2 |
8.0 |
2.3 |
86 |
144 |
||
|
YBX3-160L-2 |
18.5 |
34.4 |
2937 |
92.4 |
0.89 |
60.2 |
2.2 |
8.1 |
2.3 |
86 |
155 |
||
|
YBX3-180M-2 |
22 |
40.5 |
2940 |
92.7 |
0.89 |
71.5 |
2.2 |
8.2 |
2.3 |
89 |
241 |
||
|
YBX3-200L1-2 |
30 |
54.9 |
2950 |
93.3 |
0.89 |
97.1 |
2.2 |
7.5 |
2.3 |
92 |
275 |
||
|
YBX3-200L2-2 |
37 |
67.4 |
2950 |
93.7 |
0.89 |
119.8 |
2.2 |
7.5 |
2.3 |
92 |
300 |
||
|
YBX3-225M-2 |
45 |
81.7 |
2960 |
94.0 |
0.89 |
145.2 |
2.2 |
7.6 |
2.3 |
92 |
420 |
||
|
YBX3-250M-2 |
55 |
99.6 |
2965 |
94.3 |
0.89 |
177.2 |
2.2 |
7.6 |
2.3 |
93 |
477 |
||
|
YBX3-280S-2 |
75 |
135.2 |
2970 |
94.7 |
0.89 |
241.2 |
2.0 |
6.9 |
2.3 |
94 |
640 |
||
|
YBX3-280M-2 |
90 |
161.7 |
2970 |
95.0 |
0.89 |
289.4 |
2.0 |
7.0 |
2.3 |
94 |
697 |
||
|
YBX3-315S-2 |
110 |
195.1 |
2975 |
95.2 |
0.90 |
353.1 |
2.0 |
7.1 |
2.2 |
96 |
1060 |
||
|
YBX3-315M-2 |
132 |
233.6 |
2975 |
95.4 |
0.90 |
423.7 |
2.0 |
7.1 |
2.2 |
96 |
1120 |
||
|
YBX3-315L1-2 |
160 |
279.4 |
2975 |
95.6 |
0.91 |
513.6 |
2.0 |
7.1 |
2.2 |
99 |
1290 |
||
|
YBX3-315L2-2 |
200 |
348.6 |
2975 |
95.8 |
0.91 |
642.0 |
2.0 |
7.1 |
2.2 |
99 |
1430 |
||
|
YBX3-355M-2 |
250 |
435.7 |
2980 |
95.8 |
0.91 |
801.2 |
2.0 |
7.1 |
2.2 |
103 |
1749 |
||
|
YBX3-355L-2 |
315 |
549.0 |
2980 |
95.8 |
0.91 |
1009.5 |
2.0 |
7.1 |
2.2 |
103 |
2060 |
||
|
同步转速1500r/min |
|||||||||||||
|
YBX3-80M1-4 |
0.55 |
1.4 |
1400 |
80.7 |
0.75 |
3.8 |
2.3 |
6.3 |
2.3 |
58 |
31 |
||
|
YBX3-80M2-4 |
0.75 |
1.8 |
1400 |
82.5 |
0.75 |
5.1 |
2.3 |
6.5 |
2.3 |
58 |
32 |
||
|
YBX3-90S-4 |
1.1 |
2.6 |
1440 |
84.1 |
0.75 |
7.3 |
2.3 |
6.6 |
2.3 |
61 |
43 |
||
|
YBX3-90L-4 |
1.5 |
3.6 |
1445 |
85.3 |
0.75 |
9.9 |
2.3 |
6.9 |
2.3 |
61 |
47 |
||
|
YBX3-100L1-4 |
2.2 |
4.8 |
1440 |
86.7 |
0.81 |
14.6 |
2.3 |
7.5 |
2.3 |
64 |
56 |
||
|
YBX3-100L2-4 |
3 |
6.3 |
1440 |
87.7 |
0.82 |
19.9 |
2.3 |
7.6 |
2.3 |
64 |
62 |
||
|
YBX3-112M-4 |
4 |
8.4 |
1445 |
88.6 |
0.82 |
26.4 |
2.3 |
7.7 |
2.3 |
65 |
74 |
||
|
YBX3-132S-4 |
5.5 |
11.4 |
1455 |
89.6 |
0.82 |
36.1 |
2.0 |
7.5 |
2.3 |
71 |
93 |
||
|
YBX3-132M-4 |
7.5 |
15.2 |
1455 |
90.4 |
0.83 |
49.2 |
2.0 |
7.4 |
2.3 |
71 |
105 |
||
|
YBX3-160M-4 |
11 |
21.5 |
1460 |
91.4 |
0.85 |
72.0 |
2.2 |
7.5 |
2.3 |
75 |
141 |
||
|
YBX3-160L-4 |
15 |
28.8 |
1460 |
92.1 |
0.86 |
98.1 |
2.2 |
7.5 |
2.3 |
75 |
153 |
||
|
YBX3-180M-4 |
18.5 |
35.3 |
1470 |
92.6 |
0.86 |
120.2 |
2.2 |
7.7 |
2.3 |
76 |
235 |
||
|
YBX3-180L-4 |
22 |
41.8 |
1470 |
93.0 |
0.86 |
142.9 |
2.2 |
7.8 |
2.3 |
76 |
255 |
||
|
YBX3-200L-4 |
30 |
56.6 |
1470 |
93.6 |
0.86 |
194.9 |
2.2 |
7.2 |
2.3 |
79 |
285 |
||
|
YBX3-225S-4 |
37 |
69.6 |
1480 |
93.9 |
0.86 |
238.8 |
2.2 |
7.3 |
2.3 |
81 |
360 |
||
|
YBX3-225M-4 |
45 |
84.4 |
1480 |
94.2 |
0.86 |
290.4 |
2.2 |
7.4 |
2.3 |
81 |
390 |
||
|
YBX3-250M-4 |
55 |
102.7 |
1480 |
94.6 |
0.86 |
354.9 |
2.2 |
7.4 |
2.3 |
83 |
490 |
||
|
YBX3-280S-4 |
75 |
136.3 |
1480 |
95.0 |
0.88 |
484.0 |
2.2 |
6.7 |
2.3 |
86 |
718 |
||
|
YBX3-280M-4 |
90 |
163.2 |
1480 |
95.2 |
0.88 |
580.7 |
2.2 |
6.9 |
2.3 |
86 |
816 |
||
|
YBX3-315S-4 |
110 |
199.1 |
1485 |
95.4 |
0.88 |
707.4 |
2.2 |
6.9 |
2.2 |
93 |
1050 |
||
|
YBX3-315M-4 |
132 |
238.4 |
1485 |
95.6 |
0.88 |
848.9 |
2.2 |
6.9 |
2.2 |
93 |
1210 |
||
|
YBX3-315L1-4 |
160 |
285.1 |
1485 |
95.8 |
0.89 |
1029.0 |
2.2 |
6.9 |
2.2 |
97 |
1290 |
||
|
YBX3-315L2-4 |
200 |
355.7 |
1485 |
96.0 |
0.89 |
1286.2 |
2.2 |
6.9 |
2.2 |
97 |
1400 |
||
|
YBX3-355M-4 |
250 |
439.6 |
1490 |
96.0 |
0.90 |
1602.3 |
2.2 |
6.9 |
2.2 |
101 |
1805 |
||
|
YBX3-355L-4 |
315 |
553.9 |
1490 |
96.0 |
0.90 |
2019.0 |
2.2 |
6.9 |
2.2 |
101 |
2130 |
||
|
同步转速1000r/min |
|||||||||||||
|
YBX3-90S-6 |
0.75 |
2.0 |
934 |
78.9 |
0.72 |
7.7 |
2.1 |
5.8 |
2.0 |
57 |
42 |
||
|
YBX3-90L-6 |
1.1 |
2.8 |
945 |
81.0 |
0.73 |
11.1 |
2.1 |
5.9 |
2.0 |
57 |
44 |
||
|
YBX3-100L-6 |
1.5 |
3.7 |
945 |
82.5 |
0.74 |
15.2 |
2.1 |
6.0 |
2.0 |
61 |
49 |
||
|
YBX3-112M-6 |
2.2 |
5.4 |
960 |
84.3 |
0.74 |
21.9 |
2.1 |
6.0 |
2.0 |
65 |
69 |
||
|
YBX3-132S-6 |
3 |
7.2 |
964 |
85.6 |
0.74 |
29.7 |
2.0 |
6.2 |
2.0 |
69 |
83 |
||
|
YBX3-132M1-6 |
4 |
9.5 |
965 |
86.8 |
0.74 |
39.6 |
2.0 |
6.8 |
2.0 |
69 |
91 |
||
|
YBX3-132M2-6 |
5.5 |
12.7 |
965 |
88.0 |
0.75 |
54.4 |
2.0 |
7.1 |
2.0 |
69 |
99 |
||
|
YBX3-160M-6 |
7.5 |
16.4 |
970 |
89.1 |
0.78 |
73.8 |
2.1 |
6.7 |
2.0 |
73 |
133 |
||
|
YBX3-160L-6 |
11 |
23.4 |
970 |
90.3 |
0.79 |
108.3 |
2.1 |
6.9 |
2.0 |
73 |
154 |
||
|
YBX3-180L-6 |
15 |
30.9 |
975 |
91.2 |
0.81 |
146.9 |
2.0 |
7.2 |
2.0 |
73 |
239 |
||
|
YBX3-200L1-6 |
18.5 |
37.8 |
980 |
91.7 |
0.81 |
180.3 |
2.1 |
7.2 |
2.0 |
76 |
240 |
||
|
YBX3-200L2-6 |
22 |
44.2 |
980 |
92.2 |
0.82 |
214.4 |
2.1 |
7.3 |
2.0 |
76 |
280 |
||
|
YBX3-225M-6 |
30 |
60.7 |
980 |
92.9 |
0.81 |
292.3 |
2.0 |
7.1 |
2.0 |
76 |
360 |
||
|
YBX3-250M-6 |
37 |
71.7 |
980 |
93.3 |
0.84 |
360.6 |
2.1 |
7.1 |
2.0 |
78 |
470 |
||
|
YBX3-280S-6 |
45 |
84.8 |
980 |
93.7 |
0.86 |
438.5 |
2.1 |
7.2 |
2.0 |
80 |
655 |
||
|
YBX3-280M-6 |
55 |
103.3 |
980 |
94.1 |
0.86 |
536.0 |
2.1 |
7.2 |
2.0 |
80 |
725 |
||
|
YBX3-315S-6 |
75 |
141.7 |
985 |
94.6 |
0.85 |
727.2 |
2.0 |
6.7 |
2.0 |
85 |
930 |
||
|
YBX3-315M-6 |
90 |
171.5 |
985 |
94.9 |
0.84 |
872.6 |
2.0 |
6.7 |
2.0 |
85 |
1060 |
||
|
YBX3-315L1-6 |
110 |
206.8 |
985 |
95.1 |
0.85 |
1066.5 |
2.0 |
6.7 |
2.0 |
85 |
1130 |
||
|
YBX3-315L2-6 |
132 |
244.5 |
985 |
95.4 |
0.86 |
1279.8 |
2.0 |
6.7 |
2.0 |
85 |
1215 |
||
|
YBX3-355S-6 |
160 |
292.3 |
990 |
95.6 |
0.87 |
1543.4 |
2.0 |
6.7 |
2.0 |
92 |
1940 |
||
|
YBX3-355M2-6 |
200 |
364.6 |
990 |
95.8 |
0.87 |
1929.3 |
2.0 |
6.7 |
2.0 |
92 |
2070 |
||
|
YBX3-355L-6 |
250 |
455.7 |
990 |
95.8 |
0.87 |
2411.6 |
2.0 |
6.7 |
2.0 |
92 |
2340 |
||


1.不得随意拆卸;拆卸检修时,不能用零件的防爆面作撬棒的支点,更不允许敲打或撞击防爆面。
2.在电机的浸漆和组装时,应将防爆面附着的绝缘漆或脏物清洗干净,不得用铁片等硬物刮划,但可以用油石研磨不平整的地方。
3.若防爆面损伤,必须用铅锡焊料HISnPb58-2,焊剂为30%浓度的盐酸(对钢制零件)或含锡58~60%的锡锌焊料,焊剂为氯化铵30%,氯化锌70%,加水100~150%混合溶液(对铸铁件)进行焊补,焊料与零件的结合要牢固,凸起部分要磨平,达到规定的光洁度。
4.为防止防爆面生锈,应在防爆面上涂抹机油或204-1置换型防锈油。
5.拆卸电机时,应先取下风罩、风扇,再用套管板手拆卸端盖和轴承盖的螺栓,然后,用圆木或铜棒沿轴向撞击轴伸,使端盖和机座分开,最后取下转子。拆除零件,防爆面应朝上搁置,并用橡皮或布衬垫盖上,紧固螺栓,弹簧垫等注意不要丢失。
YBX3防爆电机常见故障以及原因故障现象:电动机温度过高,但电流没有超过额定值。
原因:1.环境温度过高。2.电动机通风道堵塞。3.电动机油泥、灰尘太多影响散热。
故障现象:电动机不能起动,而且没有任何声音。
原因:1.保险丝熔断。2.起动器掉闸。3.电源没有电。
故障现象:电动机在运行中有爆炸声。
原因:1.线圈暂时接地。2.线圈暂时短路。
故障现象:电动机起动后转速较低
原因:1.电源电压过低。2.电动机过负荷。3.定子线圈短路。4.转子的短路环、笼条断裂或开焊。5.将三角形接线的电动机接成星形。
故障现象:电动机不能起动,有嗡嗡的响声
原因:1.轴承损坏。2.定子与转子之间的空气间隙不正常,使定子与转子相碰。3.被带动机械卡住。4.电源线一相断线,或保险丝有一相熔断,或电动机有一相绕组断线。
故障现象:电动机起动时保险丝熔断
原因:1.定子线圈一相反接。2.轴承损坏。3.起动时误操作。4.定子线圈短路或接地。5.传动皮带太紧。6.被带动机械卡住。