 点击看大图
|
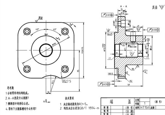
防爆电机配件-端盖
- 防爆电机配件-端盖生产厂家: 德甲直播足球直播
- 电机货号: 2014124171010580
- 上架时间: 2014年01月24日
- 电机单位: 个
- 电机规格:
- 产品热度:
- 服务期限: 0年
- 浏 览 量: 已有人关注
( 注:如果您不知道您所需要的机型可以直接拨打我们的平台热线或下单时注明,我们的专业客服人员会根据您的需求为您选型。)
电机(防爆)设备资料查询系统
- 1.南洋防爆优势有哪些?
-
- 2.电机分类(选型)
-
- 3.电机参数及性能
-
- 4.电机配件(常用)
-
- 5.电机常见问题解决方案
-
-
微信
扫一扫
获取更多快速服务
全国免费咨询热线
15518435289
-
抖音号
扫一扫
获取更多快速服务
全国免费咨询热线
15518435289
-
在线QQ
-
咨询电话