YBS防爆电机型号讲解:
Y指的是三相异步电动机、B指的是防爆隔爆型、S就是指输送机用防爆电机,所以也成为YBS三相异步隔爆型电动机。
YBS防爆电机的适用范围:
适用于煤矿井下驱动刮板输送机、带式输送机、转载机、破碎机等机械设备。防爆性能符合GB3836.2-2000《爆炸性气体环境用电气设备第2部分;隔爆型“d”》的规定,制成隔爆型,防爆标志为:Exdi
YBS防爆电机的技术参数:
额定频率:50HZ
绝缘等级:F级
额定电压:380v/660v、660v/1140v
功率范围:4-125kw
防护等级:IP44(接线盒IP55
安装形式:IMB3、IMB5、IMB10等
YBS防爆电机的维护与保养:
电动机应定期检查和清扫,外壳不得堆积灰尘,不得用水龙头喷射清扫电机。 电动机运行时轴承允许温度不得超过95℃(温度计法),轴承每运行约半年至少检查一次。
ybs防爆电机额定技术指标及技术数据
|
型号 |
功率 |
效率 |
功率因数 |
噪声 |
振动 |
堵转转矩 |
堵转电流 |
最大转矩 |
最小转矩 |
|
额定转矩 |
额定电流 |
额定转矩 |
额定转矩 |
||||||
|
YBS4-4 |
4 |
74.0 |
0.82 |
78 |
2.8 |
2.5 |
7.0 |
6.5 |
2.5 |
|
YBS5.5-4 |
5.5 |
86.0 |
|||||||
|
YBS7.5-5 |
7.5 |
87.0 |
72 |
||||||
|
YBS10-4 |
10 |
75 |
|||||||
|
YBS11-4 |
11 |
0.83 |
|||||||
|
YBS17-4 |
17 |
88.0 |
0.84 |
87 |
|||||
|
YBS22-4 |
22 |
89.0 |
92 |
||||||
|
YBS30-4 |
30 |
90.0 |
0.85 |
95 |
|||||
|
YBS40-4 |
40 |
0.86 |
97 |
|
|||||
|
YBS55-4 |
55 |
3.5 |
|||||||
|
YBS75-4 |
75 |
92.0 |
0.87 |
99 |
|||||
|
YBS90-4 |
90 |
||||||||
|
YBS100-4 |
100 |
104 |
|||||||
|
YBS112-4 |
112 |
||||||||
|
YBS125-4 |
125 |
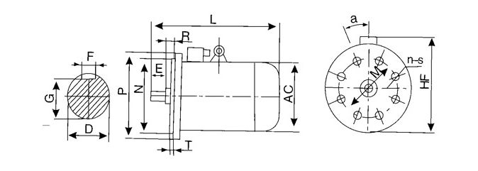
安装及外形尺寸
机座无底脚,端盖有凸缘

了解更多知识请访问:m.sdhjq999.com 电话:0394-8687286 手机:15518435289 刘经理
相关阅读:



