发布日期:2019年12月28日 信息来源://m.sdhjq999.com 点击数:
YBF2系列风机用隔爆型三相异步电动机是根据轴流式主扇风机的特点设计的电动机,并根据风机的特殊性,对电机的轴承结构和出线方式进行特殊设计。
YBF2(机座号80-355)系列风机用隔爆型三相异步电动机(以下简称为:电动机),是为驱动煤矿井下非采掘工作面风机用动力设备。电动机的防爆性能执行GB3836.1-2010《爆炸性环境用电气设备第2部分:隔爆型“d”MT451-1995煤矿用隔爆型低压三相异步电动机安全性能通用技术规范》。电气性能执行JB\T7565《YBF2系列风机用隔爆型三相异步电动机技术条件(机座号100-355)》的规定,防爆标志为ExdbⅡBT4、ExdⅡBT4(原标志为ExdⅠ),适用于煤矿井下非采掘面具有甲烷可燃性气体或煤矿与空气形成爆炸性气体环境的场所。
二、YBFn风机用隔爆型电动机基本参数
防护等级:IP55
冷却方式:IC411
频 率:50Hz
安装形式:IMB3
额定电压:380V、660V、380/660V 660V/1140v
工作方式:连续(S1)
三、YBFn风机用隔爆型电动机型号意义:
Y:异步电机;
B:表示是电机隔爆型;
F:风机用防爆电机
2:表示改进设计序号;
90:表示中心轴到地面的距离;
YB2-90系列隔爆型电动机防爆标志代表的意义:
Ex:标志(防爆);d:电气设备防爆型式(隔爆型);
ⅡB温度组别(T4);
T4电气设备类别级别(Ⅱ类B级)
四、YBFn风机用隔爆型电动机结构说明安装结构型式

IMB3 机座带底脚,端盖无凸缘。
IMB5 机座不带底脚,端盖有凸缘。
IMB35 机座带底脚,端盖有凸缘。
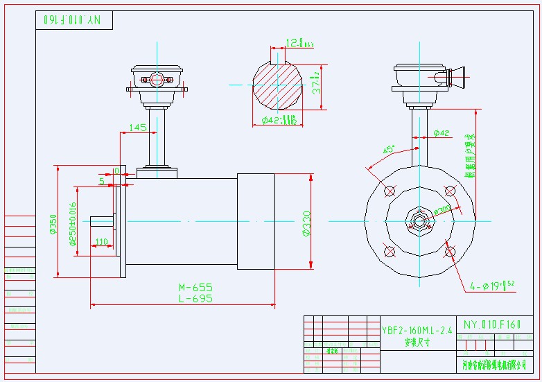
例如:YBF2-160ML-2.4安装尺寸图

了解更多知识请访问:m.sdhjq999.com电话:0394-8687286 手机:15518435289 刘经理
相关阅读:
上一篇:防爆电机配件:转子介绍 下一篇:防爆电机发热的原因